XenParTec

Diagramme

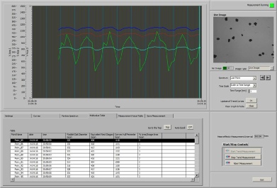
Trend  Diagramme:

Sämtliche Messgössen können als Trend-Graphik dargestellt werden. Zudem werden die Messwerte tabellarisch dokumentiert. Die Resulta­te lassen sich als Trend-Report abspeichern.

Scatter Diagramme:

Sämtliche Formgrössen (20 Form­para­meter) lassen sich gegenüber der gewählten Mess­grösse als Scatter-Diagramm darstel­len und im entsprechenden Report do­ku­men­tieren.

XenParTec Software